РАСЧЕТ СИНТЕЗАТОРА НА ОСНОВЕ ФАПЧ С ДПКД


С.ГУРОВ, 195248, Санкт-Петербург, ул.Пороховская, 54/1 - 72.


Целью статьи является показать на примере микросхемы синтезатора (КР1015ХК2,3) расчет коэффициентов деления и частотных соотношений синтезатора частоты на основе ФАПЧ с ДПКД как наиболее простого и доступного основной массе радиолюбителей.

В статье не предлагается схема синтезатора частоты, а дается только расчет коэффициентов деления и соотношений частот. Приведенная универсальная схема управления синтезатором предназначена для микросхем синтезаторов с последовательным вводом данных (КР1015ХК2,3 и т.п. [8]). Микросхемы синтезаторов других типов имеют более удобный интерфейс и практически не требуют дополнительной "обвески" (микросхема NJ8820 [2, 3]). Поэтому приведена только блок-схема синтезатора, и то не вся ее часть. Причем основная ее часть (кроме ВД и ФНЧ) обычно содержится в микросхемах синтезаторов частот (например КР1015ХК2,3; NJ8820 и т.п. [8]).

rs-sint1.gif

Структурная схема синтезатора [1] показана на рис.1, на котором приняты следующие обозначения:

ВД - внешний делитель;

ДПКД -делитель с переменным коэффициентом деления;

ПС - поглощающий счетчик;

ФД - фазовый дискриминатор;

ОД - опорный делитель;

ФНЧ - фильтр низких частот;

ГУН - генератор, управляемый напряжением.

Код управления синтезатором показан на рис.2.

rs-sint2.gif

Основные соотношения частот синтезатора:

- dF - минимальный шаг сетки частот;

-dF=N*Fo,

где N - целое число, на которое изменяется коэффициент деления ВД;

- Fo - опорная частота ФД;

- FBX - синтезируемая частота

Fвх=Fо*К*Кдпкд+Fo*N*Кпс,

где К - коэффициент деления ВД (Квд).

Расчет коэффициентов деления Коэффициент деления ДПКД Кдпкд=Fвх/(Fо*К), т.е. целое число без остатка.

Коэффициент деления ПС Кпс=(Fвх/(Fо*К)-Кдпкд)/(N*Fo), т.е. остаток, от деления при вычислении Кдпкд, деленный на минимальный шаг сетки частот.

Коэффициент деления ОД Код=Fкв/Fо, т.е. частота опорного кварца, деленная на опорную частоту ФД.

Некоторые типы синтезаторов имеют фиксированные коэффициенты деления ОД (КР1015ХКЗ имеет Код=1024; 2560; 5120).

Пример расчета синтезатора

1. Исходные данные:

- синтезатор - микросхема КР1015ХКЗ (Кдпкд <4095, Код 5120, 2560,1024; Fmax<10 МГц).

- внешний делитель К1507ИЕ1 (Квд 10/11,20/22,40/44);

- Fвх= 135000 кГц;

- dF=25кГц.

2. Исходя из Fвх и Fmax выбираем Кдел 20/22, т.е. Квд=20, N=2.

Далее вычисляем Fo, как dF/N=25/2= 12,5 кГц.

Возьмем Код=1024, тогда Fкв=12,5*1024=12800 кГц.

Если взять Кдел 40/44, получим Fo=6,25 кГц и при Код=1024 Fкв=6,25*1024=6400 кГц.

Теперь определим dFдпкд (шаг частоты на единицу кода ДПКД) как FоКвд=б,25*40=250.

Далее можно рассчитать код ДПКД и код ПС:

Код ДПКД=Fвх/(dFдпкд= =135000/250=540. Т.к. остаток равен нулю, код ПС=0.

Для частоты 135050 кГц остаток = 50 и, следовательно, код ПС=50/25=2.

3. При расчете нужно учитывать следующие ограничения:

- минимальный и максимальный коды ДПКД (определяются выбранным типом синтезатора);

- максимальный код ПС должен быть >Квд;

- максимальные частоты по входам сигнала и опорного генератора.

Универсальная схема управления синтезатором

Данный вариант схемы рассчитан на диапазон УКВ ЧМ 145 МГц, 80 основных и 80 дополнительных каналов.

Схема состоит из двух основных (самостоятельных) узлов:

- схема формирования и ввода кода синтезатора;

- схема формирования номера канала и индикации.

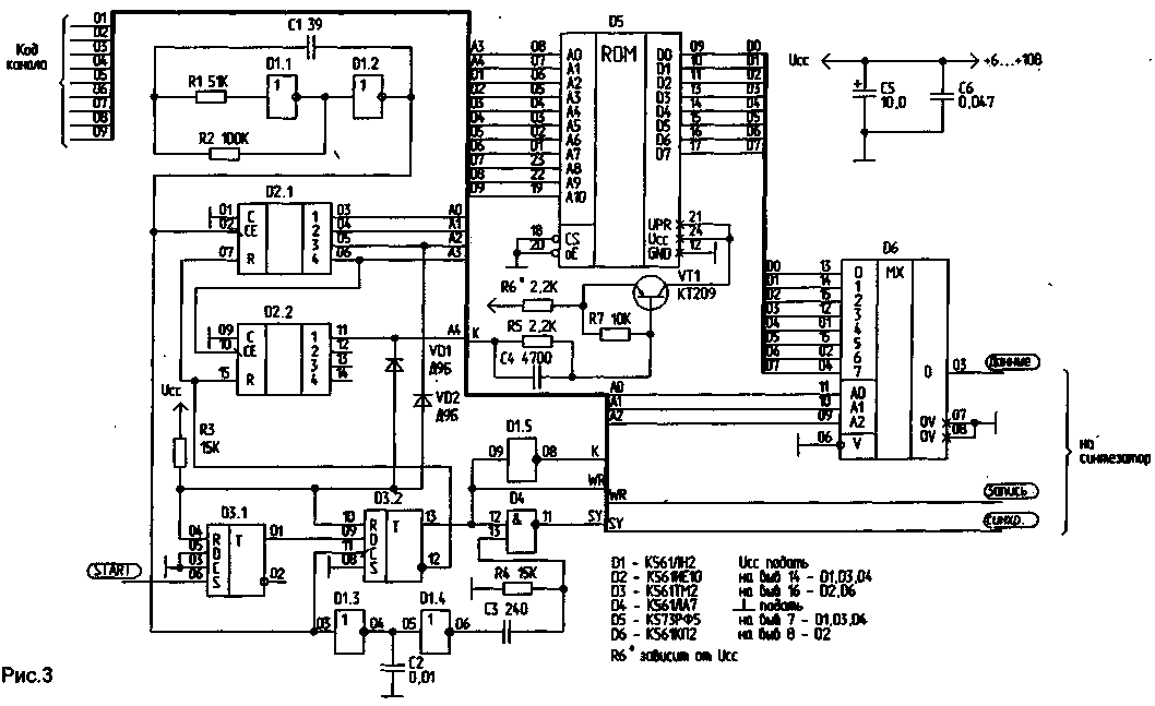
Схема формирования и ввода кода (рис.3) рассчитана на синтезатор типа КР1015ХК3 или любой другой с вводом кода в последовательном виде (до 32-х разрядов). Приведенный вариант рассчитан на двадцатиразрядный код Для изменения разрядности кода необходимо изменить К пересчета счетчика D2. Коды частот, вводимых в синтезатор, записываются в ПЗУ. Как составить прошивку ПЗУ - описано ниже.

rs-sint3.gif

Схема включает в себя следующие узлы:

- генератор и счетчик-делитель на 20 (D1.1,D1.2,D2,VD1,VD2);

- схему запуска и привязки (D3, D1.5);

- схему формирования кода и сигналов записи синтезатора (D5, D6, D1.3, D1.4,D4,VT1).

Запуск схемы осуществляется импульсом START. Схема привязки формирует импульс разрешения счета D2 и включения питания D5, привязанный к переднему фронту импульсов генератора D1, D2. После отсчета 20 импульсов схема запуска переходит в исходное состояние и питание снимается с D5. С выхода D6 выдаются данные, с выхода D4 выдаются синхроимпульсы ввода данных в синтезатор, с вывода 13 D3.2 выдается сигнал записи кода в ПДКД синтезатора (может иметь постоянно высокий уровень).

Работа универсальной схемы управления синтезатором

1. Устанавливается код выбранного канала (ТТЛ уровни на выводах 1-6,23, 22,19D5).

2. По сигналу START (положительный импульс) происходит установка в "1" триггера D3.1.

3. Положительному перепаду синхроимпульса, вырабатываемого генератором на D 1.1, D 1.2, устанавливается в "1" триггер D3.2. Сигналом низкого уровня с вывода 12 D3.2 разрешается работа счетчика (коэф. 20) на D2.1, D2.2, а сигналом высокого уровня с вывода 13 D3.2 разрешается выдача синхроимпульсов записи на синтезатор через D4 и подается питание на ПЗУ D5 с помощью D1.5 и VT1. Так же формируется сигнал высокого уровня на входе выбора синтезатора (ЗАПИСЬ).

4. Данные, вводимые в синтезатор, с помощью мультиплексора D6 преобразуются в последовательный код.

5. Синхроимпульсы записи данных формируются из импульсов генератора D1.1, D1.2 элементами D1.3, D1.4, С2, С3, R4. Синхроимпульс генератора задерживается, а затем из его переднего фронта формируется короткий импульс. Таким образом синхроимпульс записи всегда точно попадает на соответствующий ему бит данных.

6. После того как счетчик отсчитает 20 импульсов, на выводах 11 D2.2 и 5 D2.1 появляются сигналы высокого уровня, что приводит к появлению сигнала- высокого уровня на выводах 4 D3.1 и 10 D3.2. Триггеры D3.1, D3.2 устанавливаются в исходное состояние. Таким образом счетчик прекращает счет, снимается питание с ПЗУ, прекращается подача синхроимпульсов записи на синтезатор, сигнал выбора синтезатора (ЗАПИСЬ) переходит в низкий уровень и происходит занесение введенных данных в счетчики синтезатора.

7. После изменения кода нужно подать сигнал START, и новое значение кода вводится в синтезатор.

8. Схема построена на КМОП микросхемах, которые могут питаться от напряжения 3...15 В. ПЗУ имеет питание 5 В и поэтому резистор R6 нужно подобрать в зависимости от напряжения питания так, чтобы при подаче питания на ПЗУ оно не превышало 5...5,5 В.

9. Нужно также учесть, что синтезатор по управляющим входам обычно имеет ТТЛ уровни, поэтому может потребоваться включение схем фиксации уровня по сигналам, подаваемым на синтезатор. Схема фиксации уровня - включенный последовательно в цепь сигнала резистор (1...5 кОм) и диод, подключенный катодом к цепи питания синтезатора.

10. Приведенная схема наладки не требует. Частота генератора не критична, при указанных номиналах - около 100 кГц.

Схема формирования номера канала и индикации

Схема (рис.4) содержит двоично-десятичный счетчик номера канала (D5, D6), который используется для индикации номера канала (D7, D8, HL1, HL2) и адресации ПЗУ. Максимальный номер канала, который может быть реализован в данной схеме - 99 (на приведенной схеме максимальный номер канала - 80).

rs-sint4.gif
Рис.4. Схема формирования номера канала и индикации

При включении и переполнении счетчика схема устанавливается на 40-й канал (можно установить любой перепайкой входов SO...S3 счетчиков D5, D6).

Кнопками S1, S2 производится увеличение или уменьшение номера канала. Кнопка S3 предназначена для модификации кода синтезатора, например для уменьшения частоты передачи на 600 кГц в репитерном режиме. На элементах D1.5, D1.6, D2.6, D4 выполнена схема установки счетчика. На элементах C8...C11,VD4...VD7,R14...R18 выполнена схема формирования сигнала START для схемы ввода кода синтезатора. Как видно из схемы, сигнал START формируется в следующих случаях:

- изменение номера канала (по кнопкам S1,S2);

- модификация кода (по нажатию и отпусканию кнопки S3);

- при включении питания (элементы D1.5.D1.6).

Схема формирования сигнала START На рис.5 приведен вариант схемы формирования сигнала START, который удобно применять при использовании вместо электронной схемы формирования номера канала кодирующих переключателей типа ПП8-1 или подобных. Эта схема является, по сути, схемой привязки фазы импульса записи кода в ДПКД к фазе опорной частоты синтезатора, что исключает появление импульсов рассогласования на выходе фазового дискриминатора синтезатора при записи постоянного кода в ДПКД.

rs-sint5.gif

Работа схемы формирования сигнала START (рис. 5)

Из положительного перепада импульса генератора формируется короткий положительный импульс START, который подается на схему управления синтезатором. Из отрицательного перепада импульса генератора формируется импульс установки в " 1" триггера. Положительным перепадом сигнала опорной частоты синтезатора (вывод 14 КР1015ХКЗ) триггер сбрасывается в "О". Сигналом (отрицательный перепад) с выхода триггера происходит занесение введенной в синтезатор информации в его счетчики. Таким образом происходит временная привязка записи информации к опорной частоте синтезатора, исключаются появление импульсов рассогласования на выходе фазового детектора синтезатора и выбег частоты в кольце ФАПЧ.

Частота генератора должна выбираться исходя из скорости реакции схемы на смену канала (1...10 Гц).

Нужно учесть, что сигнал, поступающий с синтезатора, имеет высокий уровень - около 5 В. Поэтому схема работает при напряжении питания не более 9 В. В противном случае по выходу нужно поставить схему фиксации уровня. Схема не критична к номиналам элементов и не требует настройки.

Радиолюбитель 8/96

Hosted by uCoz